If you’re looking to troubleshoot any issues with your 2001 Pontiac Sunfire’s heater core, you’re probably wondering exactly where it is located. The heater core is an integral part of your car’s heating system, as it’s responsible for transferring heat from the engine coolant to the interior of the car. Knowing exactly where the heater core is located is essential for any repair or maintenance work you intend to do on your Pontiac Sunfire. This article will guide you through the process of finding the heater core on a 2001 Pontiac Sunfire, as well as provide some helpful tips to make the job easier.
Your answer should be written as follows: How do you remove the heater core of a Pontiac Sunfire? What is the meaning of the Punjabi word ‘Wakh’? What are the legal covenants in Traditional African society?
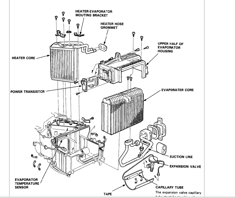
Where Is The Heater Core Location?

In its most basic form, a heater core looks like a mini radiator and serves as the cabin’s heating source. It connects to the engine’s cooling system via inlet and outlet hoses, just like a radiator. As the engine warms up, the water pump circulates hot coolant into the heater core and its many small tubes.
The heater core, which is located beneath the dash, is a little difficult to access. Depending on the engine and model of vehicle, the following components may need to be loosened or removed. The driver and front passenger seats can be protected with seat covers. To reduce pressure in the coolant circuit, the expansion tank cap should be opened. The coolant hose arrangement is the same in both vehicles without and with an A/C, as long as they are connected properly on the proper sides of the heater core. The coolant circuit was burried. Using a compressed air gun, blow out the coolant from the heater core (to be stored in container B -).
After checking that all information is correct, installation is carried out in the reverse order. In the area where the carpet meets the heat exchanger, wrap it in waterproof foil and absorbent paper towel. To heat and air, slide the heater core into the heating and A/C units. The new seals must be moistened with coolant lightly prior to use (the heater core delivery casing must be included). C – seals between coolant pipes and heater core connections, D – seal between coolant pipes and heater core connections, and E – seal between coolant pipes and heater core connections. Tighten the bolts on clamps A – to 2.5N in any case. In order to seal the flanges completely, an heater core and coolant pipe must be completely enclosed.
In order to operate properly, coolant hoses must be properly connected to the heater core. To supply the hose from cylinder head B, return to the coolant pump and reinstall all components. Check to see if the coolant hoses are installed properly. If there are still bubbles in the heater core, there may be insufficient heating performance for customers in the winter. For example, a hand pump (V.A.G. 1274) can be used to increase pressure in the coolant circuit.
Is Replacing A Heater Core Easy?

Replacing a heater core can be a difficult task for the average person. It requires knowledge of the vehicle’s cooling system and the ability to access and remove various components. The process includes draining the coolant, removing the dashboard, disconnecting the heater hoses, and removing the old core. Additionally, new heater cores should be precisely fitted and sealed correctly. If done improperly, it could lead to further issues with the vehicle’s cooling system. As a result, although it is possible for the average person to replace a heater core, it is generally recommended that it be done by a professional mechanic.
A heater core is one of the components found in a vehicle’s heating system. It can be difficult to replace a DIY mechanic’s car, but you can do it with the right tools. Despite this, it is acceptable to drive with a faulty heater core; however, this is not recommended. If the heater core in your vehicle does not work properly, other cooling system components could suffer. Allowing a leak to persist for too long can cause the engine to overheat. Remove the negative battery terminal and drain the cooling system. Disposing of the coolant should be done after it has been stored.
You should keep all of the open lines and fittings clear of the cooling system to prevent tampering. Clips and connectors are delicate, and they can become brittle in older vehicles, so be gentle with them. Ensure that the water-tight seal is maintained by installing new O-rings in the A/C connections. We use trusted, professional service providers because some projects may be too difficult or time-consuming at home.
How Many Hours Does It Take To Replace A Heater Core?
It is possible that the heater core replacement will take up to seven hours of labor. The average cost to replace a heater core ranges from $750 to $1200.
Prevent Heater Core Leaks With Corrosion Inhibitors
The main source of heater core leaks is a lack of corrosion inhibitors in the coolant/antifreeze, which can lead to the problem. It is critical that heating and cooling systems be corrosion inhibitors to keep them running smoothly because these chemicals coat the inner surfaces, preventing rust and other contaminants from damaging them. If left untreated, corrosion can cause the heater core to leak, resulting in warm coolant and steam in the cabin. A failure of the heater core can have serious consequences. With the temperature-controlled coolant no longer able to keep the cabin cool, a foggy fog of warm steam will fill the car cabin. Furthermore, the coolant could cause significant damage to the heater core and the interior of the vehicle. The heater core should be topped off with corrosion inhibitors so that major repairs and costly replacements do not occur; otherwise, it will leak in the first place.
How Much Does It Cost To Have A Heater Core Changed?
If your heater core needs to be repaired, the cost will vary depending on whether a professional repairs it or you do it yourself. Parts and labor for heater core repairs can range between $800 and $1,000, depending on the scope of the work.
How Long Does It Take To Replace A Heater Core In A Car?

Replacing a heater core in a car can be a time consuming job. Depending on the make and model of the car, it can take anywhere from 2 to 6 hours to complete the job. It is important to have the right tools and experience to properly replace a heater core, as the process can be complex and require special skills. Additionally, some cars may require special components in order to replace the heater core, so it is important to take the time to research what parts and tools will be needed for the job. Overall, replacing a heater core in a car is a job that should not be taken lightly and requires a good amount of time and effort.
It is the same thing that can be found in your car that looks like a radiator and is used to heat the interior of your vehicle. If the coolant system is not replaced or flushed on a regular basis, it may clog this piping (tubing), resulting in problems with the heater core. Our heater core replacement program will put you in charge of a heater core within five hours. Most cars are equipped with access panels that allow the heater core to be removed and replaced in one piece. All of the heater hardware, such as the windshield and distribution duct, should be removed from the engine firewall. Some models have blower motor wiring connected to heater wiring, but the connection should be removed before proceeding. You will now be able to install the new heater core once the heater core has been removed from the housing. If the mechanic is knowledgeable, it is possible that the repair will be completed in under 3 hours. You can, however, achieve a reasonable five-hour work ethic with this article and the instruction manual, which are both free.
Leave Vehicle Heater Core Replacement To The Professionals
A professional will be best suited to replace the heater core of a vehicle. Because the heater core is usually located behind and/or beneath the dashboard, the heater core can take a long time to disassemble and reassemble. Parts and labor for replacing your heater core can cost anywhere from $800 to $1,000, whereas the cost of installing the new core can range from $100 to $300. To save time and money, it is possible to seal the leak if it is small and not completely replace the heater core. When a car heater fails, it typically takes between seven and eight hours to fix.
Is It Worth Fixing A Heater Core?
When it comes to deciding whether or not it is worth fixing a heater core, the answer really depends on the condition of the core and the cost of repair. If the core is still in relatively good condition and the cost of repair is relatively low, then it could be worth fixing. However, if the core is beyond repair or the cost of repair is too high, then it may be better to replace the heater core. Ultimately, the decision should be based on an assessment of the condition of the core and the cost of repair.
You can defrost your vehicle using the heater core. A heater core replacement costs between $857 and $1,008 on average. Check that the engine has sat for a few hours so the coolant isn’t too hot. You’ll need a garden hose and a gallon of water to complete this task.
Don’t Delay Heater Core Repair: Avoid Costly Engine Damage
The cost of replacing a heater core can range from $800 to $1,000, depending on labor costs. When getting an accurate quote, it is best to call a number of different repair shops. Even if postponing the repair may seem appealing, driving with a broken heater core can be hazardous. If your core is not properly connected, your engine may overheat and result in extensive engine damage. It is critical to keep an eye out for two signs of a faulty heater core: fog/smoke in the cabin and defrosters not functioning properly. If you notice these signs, you should take your vehicle in for repairs as soon as possible to avoid costly repairs in the future.